Meine Transportkostenanfrage
Transport von Land- und Baumaschinen – KEINE Tiertransporte
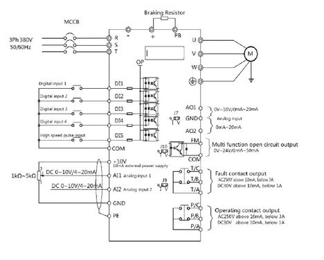
Sonstige Frequenzumrichter 4KW/7,5/15KW
Leistungsstarke Frequenzumrichter – 4 kW, 7,5 kW und 15 kW BEGRENZTE STÜCKZAHL AUF LAGER 4 KW: 332,50€ Netto/399€ Brutto 7,5 kw 499,17€ Netto/599...
EUR 0
regional. national. international.
Nah- und Fernverkehr. Einheimisches Personal und Fahrzeuge garantieren höchste Qualität im Maschinen-, Stückgut- und Sondertransport.
Land- und Baumaschinen (KEINE Tiertransporte)
- Teil- sowie Komplettladungen
- Sonderabmessungen
- Zollservice (CH)



